杭州头号玩家官网登录入口电气技术有限公司
网站标题

清空记录

历史记录

清空记录

历史记录

取消

清空记录

历史记录

杭州头号玩家官网登录入口电气技术有限公司
    当前位置:
  • 首页>
  • 产品中心>
  • 开关柜智能操控装置系列>
  • RVB-6100 开关状态指示仪
RVB-6100 开关状态指示仪

分享到微信

×
RVB-6100 开关状态指示仪是一种多功能、智能化模拟动态指示器。用于3-35kV 户内开关柜,适用于中置柜、手车柜、固定柜、环网柜等多种开关柜。可取代现有的一次回路模拟、带电显示器、自动加热除湿控制器,具备了断路器分合闸状态指示、储能指示、接地开关指示、手车位置指示、及RS485 通信接口等多项功能。
产品详情

主要功能

一次模拟图动态指示

自动调节柜内温度及凝露

高压带电指示、闭锁输出

两路负载接口

加热器断线检测

RS485 通信接口

技术特性

供电电源:AC/DC80-270V

工作环境: -10℃~50℃,≤95%RH

存贮环境: -40℃~80℃,≤95%RH

抗电强度:外壳与端子间≥AC  2000V/1min

绝缘性能:外壳与端子间≥100MΩ

抗电磁干扰性能:符合GB/T  17626

主要功能

一次模拟图动态指示

自动调节柜内温度及凝露

高压带电指示、闭锁输出

两路负载接口

加热器断线检测

RS485 通信接口

技术特性

供电电源:AC/DC80-270V

工作环境: -10℃~50℃,≤95%RH

存贮环境: -40℃~80℃,≤95%RH

抗电强度:外壳与端子间≥AC  2000V/1min

绝缘性能:外壳与端子间≥100MΩ

抗电磁干扰性能:符合GB/T  17626

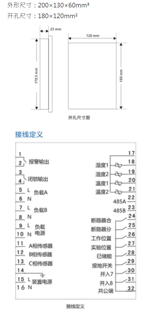
安装方式

开关柜智能操控装置产品选型一览表


RVB-6100 开关状态指示仪

RVB-6100 开关状态指示仪

分享到微信

×
RVB-6100 开关状态指示仪是一种多功能、智能化模拟动态指示器。用于3-35kV 户内开关柜,适用于中置柜、手车柜、固定柜、环网柜等多种开关柜。可取代现有的一次回路模拟、带电显示器、自动加热除湿控制器,具备了断路器分合闸状态指示、储能指示、接地开关指示、手车位置指示、及RS485 通信接口等多项功能。
15868153913
产品详情

主要功能

一次模拟图动态指示

自动调节柜内温度及凝露

高压带电指示、闭锁输出

两路负载接口

加热器断线检测

RS485 通信接口

技术特性

供电电源:AC/DC80-270V

工作环境: -10℃~50℃,≤95%RH

存贮环境: -40℃~80℃,≤95%RH

抗电强度:外壳与端子间≥AC  2000V/1min

绝缘性能:外壳与端子间≥100MΩ

抗电磁干扰性能:符合GB/T  17626

主要功能

一次模拟图动态指示

自动调节柜内温度及凝露

高压带电指示、闭锁输出

两路负载接口

加热器断线检测

RS485 通信接口

技术特性

供电电源:AC/DC80-270V

工作环境: -10℃~50℃,≤95%RH

存贮环境: -40℃~80℃,≤95%RH

抗电强度:外壳与端子间≥AC  2000V/1min

绝缘性能:外壳与端子间≥100MΩ

抗电磁干扰性能:符合GB/T  17626

安装方式

开关柜智能操控装置产品选型一览表


在线表单在线表单
选择区号