
清空记录
历史记录
取消
清空记录
历史记录

主要功能
一次模拟图动态指示
温湿度测量及中文液晶显示,自动调节柜内温度及凝露
高压带电指示、闭锁输出
四路负载接口
加热器断线检测
RS485 通信接口
智能防误语音
人体感应(选配)
电气接点温度测量(无线测温,标配6路,**9路)
照明开关、储能开关、远程本地转换开关、分合闸转换开关
技术特性
供电电源:AC/DC80-270V
工作环境:-10C~50C,s95%RH
存贮环境:-40C~80C,s95%RH
抗电强度;外壳与端子间zAC 2000V/1min
绝缘性能:外売与端子间2100MQ
抗电磁干扰性能:符合GB/T 17626
安装方式
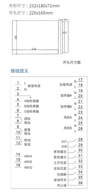
外形尺寸:232x180x71mm开孔尺寸:220x165mm

开关柜智能操控装置产品选型一览表


主要功能
一次模拟图动态指示
温湿度测量及中文液晶显示,自动调节柜内温度及凝露
高压带电指示、闭锁输出
四路负载接口
加热器断线检测
RS485 通信接口
智能防误语音
人体感应(选配)
电气接点温度测量(无线测温,标配6路,**9路)
照明开关、储能开关、远程本地转换开关、分合闸转换开关
技术特性
供电电源:AC/DC80-270V
工作环境:-10C~50C,s95%RH
存贮环境:-40C~80C,s95%RH
抗电强度;外壳与端子间zAC 2000V/1min
绝缘性能:外売与端子间2100MQ
抗电磁干扰性能:符合GB/T 17626
安装方式
外形尺寸:232x180x71mm开孔尺寸:220x165mm

开关柜智能操控装置产品选型一览表


